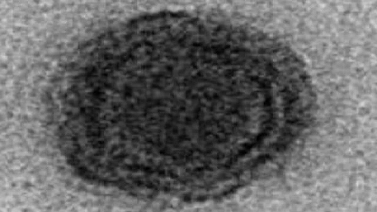
Brezilya'nın Belo Horizonte kentinde Pampulha yapay gölünden toplanan amiplerde keşfedilen "gizemli virüsün" genlerinin en az yüzde 90'ına, daha önceki viral çalışmalarda hiç rastlanmadığına işaret edildi.
GENLERİNİN YÜZDE 90'I BİLİNMİYOR
Independent'in haberinde, Brezilya'nın Belo Horizonte kentinde Pampulha yapay gölünden toplanan amiplerde keşfedilen "gizemli virüsün" genlerinin en az yüzde 90'ına, daha önceki viral çalışmalarda hiç rastlanmadığına işaret edildi.

YARAVİRÜS: AMİPLERİ ENFEKTE EDİYOR
Brezilya mitolojisinde su kraliçesi Yara'dan esinlenerek "Yaravirus" ismi verilen virüsün, amipleri enfekte ettiği bilinenlerden önemli ölçüde küçük olduğu belirtildi.
Virüsü keşfeden ekip, biyolojik çalışmaların yer aldığı bioRxiv sitesinde "Yaravirüs" için "şaşırtıcı kökene ve filojeniye sahip yeni nesil bir amip virüsü" ifadesini kullandı.
Minas Gerais Federal Üniversitesi'nde virolog Jonatas Abrahao, keşfin, virüsler hakkında daha bilinmesi gereken çok şey olduğunu gösterdiğini kaydetti. Abrahao, ekibiyle yeni virüsün yaşamsal özelliklerini araştırdıklarını söyledi.
